Fast Global Shipping
Bulk Discounts
Over 10,000+ Product Variations
Trusted by 100,000+ Customers
Self-Clinching Nuts

PSM SELF-CLINCHING NUTS are threaded fasteners which incorporate a knurled platform and a groove. This platform, when embedded in the sheet, causes the displaced material to flow evenly into the groove of the fastener to give a positive retention.
Advantages
- High torque resistance
- Reverse side of the sheet remains totally flush
- Small and neat, ideal for all electronics or precision equipment
- Easy assembly with any squeeze action press
Design Guide
Hole Size in Sheet
Holes may be punched or drilled and a tolerance of -.000″ +.003″ (-0.00mm +0.08mm). Where possible install from punched side. Holes should not be de-burred or countersunk.
Sheet Hardness
See individual product data sheet for maximum sheet hardness.
Installation
Must always be carried out using a squeeze action – NEVER a shock load.
Sheet Thickness
Self-Clinching fasteners are suitable for any thickness of material from the minimum specified for each individual product.
Shank Number
Always choose the longest shank possible for the sheet thickness. This will optimise performance and increase retention.
Direction of Load
We recommend that Self-Clinching Nuts should always be loaded from the pilot end. (See method of assembly diagrams)
Technical Data

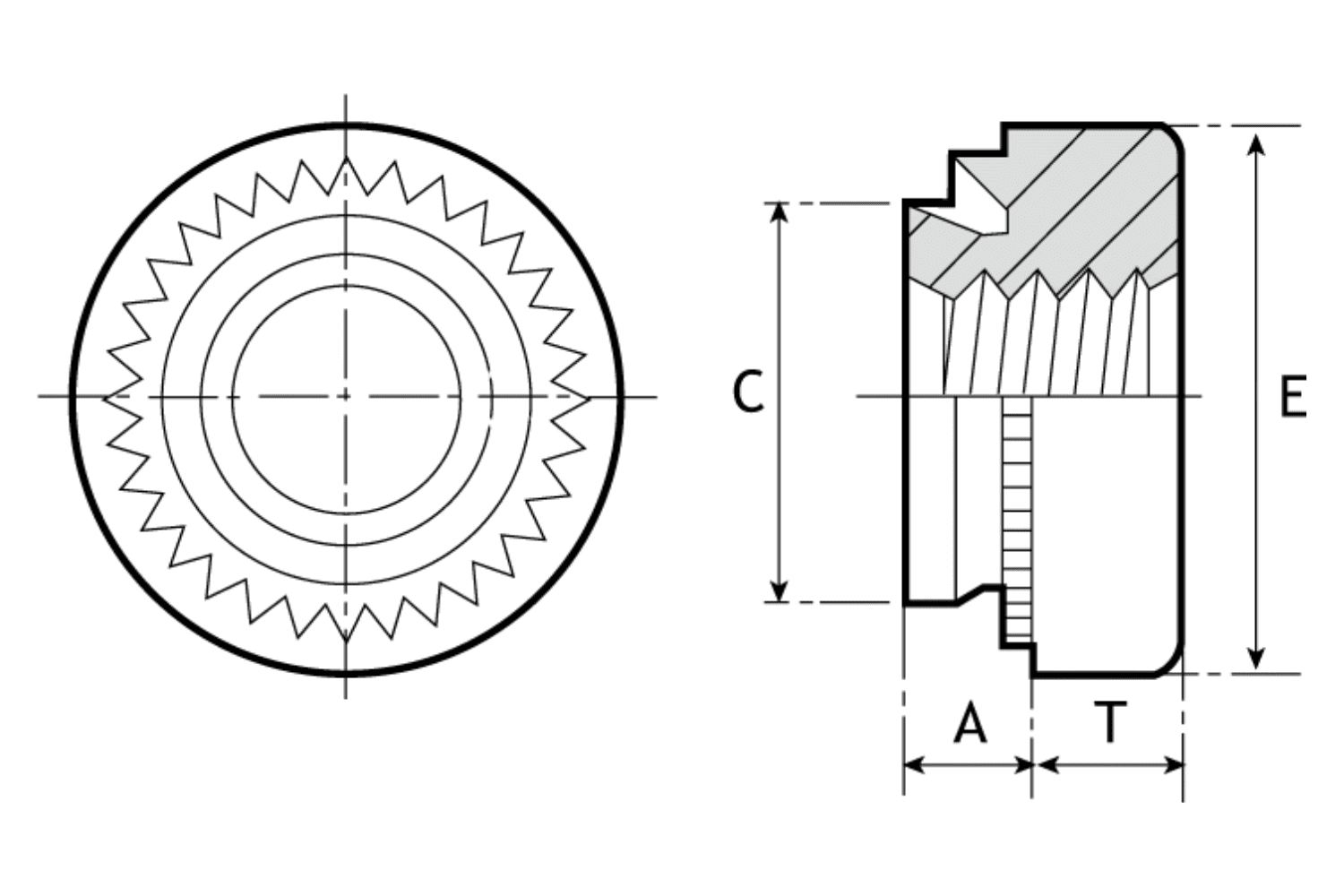
P-S & P-CLS Self-Clinching Nuts (Metric)
MATERIAL CODES
P-S & P-SS* – Hardened Steel Plated
P-CLS & P-CLSS* – Stainless Steel
(P-SS* and P-CLSS* codes refer to M5 sizes only)
STANDARD PLATING FINISH
Zinc & Clear Trivalent Passivation (Z)
MAXIMUM SHEET HARDNESS
P-S & P-SS = Rb80
P-CLS & P-CLSS = Rb70
Metric
How to Specify


Technical Data

P-S & P-CLS Self-Clinching Nuts (Unified)
MATERIAL CODES
P-S & P-SS* – Hardened Steel Plated
P-CLS & P-CLSS* – Stainless Steel (Unplated)
(P-SS* and P-CLSS* codes refer 032 and 024 sizes only)
STANDARD PLATING FINISH
Zinc & Clear Trivalent Passivation (Z)
MAXIMUM SHEET HARDNESS
P-S & P-SS = Rb80
P-CLS & P-CLSS = Rb70
Unified

How to Specify


Methods of Assembly

- Punch a hole in the metal sheet to the size recommended in our technical data table. De-burring of the hole is not recommended.
- Apply pressure to the head of the fastener sufficient to totally embed the clinching ring around the entire circumference and bring body in contact with the sheet.
- Insert fixing screw or bolt from side opposite to the fastener body.
Performance Data
P-S & P-CLS Metric
P-S & P-CLS Unified
Technical Data

P-CLA Self-Clinching Nuts
MATERIAL CODES
P-CLA – Aluminium
MAXIMUM SHEET HARDNESS
P-CLA = Rb 50
Metric

All dimensions in millimetres.
Unified

All dimensions in inches.
How to Specify

Technical Data

P-SP Self-Clinching Nuts
The P-SP SELF-CLINCHING NUT is a threaded fastener which incorporates a knurled platform under the head, which when embedded in the sheet, displaces material into the clinch ring securing the fastener firmly in place.
MATERIAL CODES
P-SP – Hardened Stainless Steel
MAXIMUM SHEET HARDNESS
P-SP = Rb 90
Metric

All dimensions in millimetres.
Unified

All dimensions in inches.
How to Specify

Methods of Assembly



Tooling option 1:
Install using profiled punch to achieve optimum performance. Apply sufficient load to bring body in contact with sheet around full circumference.
Tooling option 2:
Using flat punch and anvil. Apply pressure to the body of the fastener sufficient to totally embed the clinching ring and bring body in contact with the sheet.
Insert fixing screw or bolt from side opposite to the fastener body.
Performance Data

Note: The above values are averages when correct installation is performed. Variations in hole size, material and installation will affect these results. For specific advice we strongly recommend consultation with your PSM technology Centre

Enhance Your Assembly with Our Precision Self-Clinching Nuts
Start browsing our products or request a quote today to find the ideal fastening solution for your application.



