PSM FASTENERS IS CERTIFIED: ISO 9001:2015
Call us 7:30am to 4:30pm Mon-Fri+61 2 9026 8383
Call us 7:30am to 4:30pm Mon-Fri+61 2 9026 8383

Sheet Metal Self Clinching Nuts M3-2 Large Body (7.1) Stainless Steel (>1.4) PSM04084 (PCLS3.5M32)

$0.32

4697 in stock (can be backordered)
SKU: PCLS3.5M32

SELF CLINCHING NUTS are threaded fasteners which incorporate a knurled platform and a groove. This platform, when embedded in the sheet, causes the displaced material to flow evenly into the groove of the fastener to give a positive retention.

Buy More, Save More
Quantity Range
Quantity Range
Price Per Unit
Price Per Unit
Discount
Discount
100-999
$0.27
$0.05
1000-4999
$0.25
$0.07
5000+
$0.21
$0.11
Brand:

PSM SELF-CLINCHING NUTS are threaded fasteners which incorporate a knurled platform and a groove. This platform, when embedded in the sheet, causes the displaced material to flow evenly into the groove of the fastener to give a positive retention.

Advantages

Design Guide

Hole Size in Sheet

Holes may be punched or drilled and a tolerance of -.000″ +.003″ (-0.00mm +0.08mm). Where possible install from punched side. Holes should not be de-burred or countersunk.

Sheet Hardness

See individual product data sheet for maximum sheet hardness.

Installation

Must always be carried out using a squeeze action – NEVER a shock load.

Sheet Thickness

Self-Clinching fasteners are suitable for any thickness of material from the minimum specified for each individual product.

Shank Number

Always choose the longest shank possible for the sheet thickness. This will optimise performance and increase retention.

Direction of Load

We recommend that Self-Clinching fasteners should always be loaded from the pilot end. (See method of assembly diagrams)

Technical Data

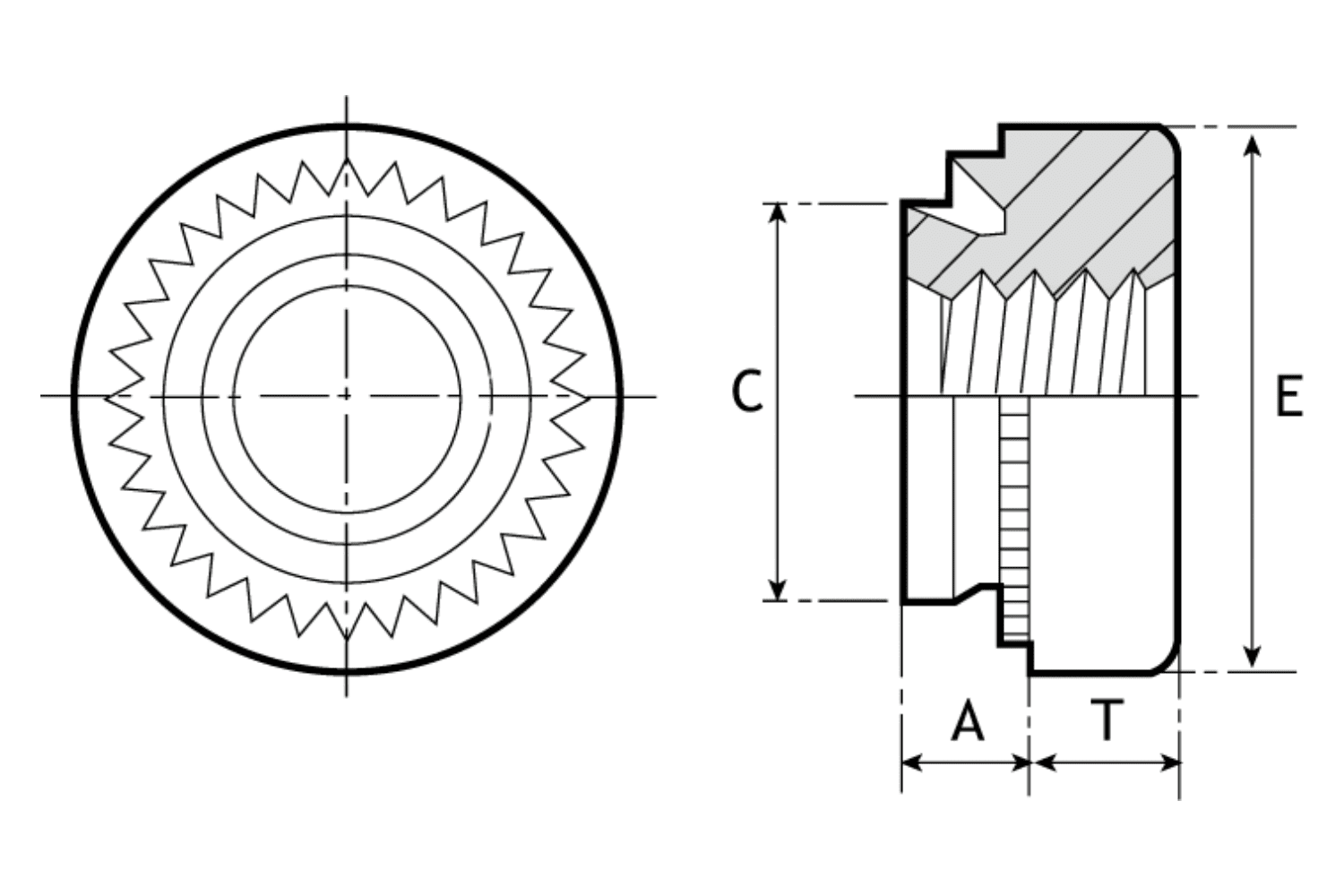
Diagram showing Self-Clinching Nuts measurements

P-S & P-CLS Types (Metric)

MATERIAL CODES
P-S & P-SS* – Hardened Steel Plated
P-CLS & P-CLSS* – Stainless Steel
(P-SS* and P-CLSS* codes refer to M5 sizes only)

STANDARD PLATING FINISH
Zinc & Clear Trivalent Passivation (Z)

MAXIMUM SHEET HARDNESS
P-S & P-SS = Rb80
P-CLS & P-CLSS = Rb70

Metric


All dimensions in inches.

How to Specify

Table showing PS Self Clinching Nuts steel standard sizes
Table showing PCLS Self Clinching Nuts stainless steel standard sizes

Technical Data

Diagram showing P-S & P-CLS Self Clinching Nuts measurements

P-S & P-CLS Types  (Unified)

MATERIAL CODES
P-S & P-SS* – Hardened Steel Plated
P-CLS & P-CLSS* – Stainless Steel (Unplated)
(P-SS* and P-CLSS* codes refer 032 and 024 sizes only)

STANDARD PLATING FINISH
Zinc & Clear Trivalent Passivation (Z)

MAXIMUM SHEET HARDNESS
P-S & P-SS = Rb80
P-CLS & P-CLSS = Rb70

Unified

Table showing P-S & P-CLSSelf Clinching Nuts unified thread data
All dimensions in millimetres.

How to Specify

Table showing PS Self Clinching Nuts steel standard sizes
Table showing PCLS Self Clinching Nuts stainless steel standard sizes

Methods of Assembly

Diagram showing PS/PCLS assembly
  1. Punch a hole in the metal sheet to the size recommended in our technical data table. De-burring of the hole is not recommended.
  2. Apply pressure to the head of the fastener sufficient to totally embed the clinching ring around the entire circumference and bring body in contact with the sheet.
  3. Insert fixing screw or bolt from side opposite to the fastener body.

Performance Data

P-S & P-CLS Metric

Table showing PS/PCLS metric thread data

Note: The above values are averages when correct installation is performed. Variations in hole size, material and installation will affect these results. For specific advice we strongly recommend consultation with your PSM Technology Centre.

P-S & P-CLS Unified

Table showing PS/PCLS unified thread data

Technical Data

Diagram showing PCLA Self Clinching Nuts measurements

P-CLA Type

MATERIAL CODES
P-CLA – Aluminium

MAXIMUM SHEET HARDNESS
P-CLA = Rb 50

Metric

Table showing PCLA Self Clinching Nuts metric data

All dimensions in millimetres.

Unified

Table showing PSP Self Clinching Nuts unified data

All dimensions in inches.

How to Specify

Table showing PCLS Self Clinching Nuts stainless steel standard sizes

Technical Data

Diagram showing PCLA Self Clinching Nuts measurements

P-SMPS Type

MATERIAL CODES
P-SMPS – Stainless Steel

STANDARD PLATING FINISH

Zinc & Clear Trivalent Passivation (Z)

MAXIMUM SHEET HARDNESS
P-SMPS = Rb70

Metric

Table showing PSMPS metric thread data

All dimensions in millimetres.

Unified

Table showing PSMPS unified thread data

All dimensions in inches.

P-SMPS Metric

P-SMPS Unified

Table showing PSMPS metric dimensions
Table showing PSMPS unified dimensions

How to Specify

Table showing how to specify PSMPS Self Clinching Nuts

Technical Data

Diagram showing PCLA Self Clinching Nuts measurements

P-SP Type

The P-SP SELF-CLINCHING NUT is a threaded fastener which incorporates a knurled platform under the head, which when embedded in the sheet, displaces material into the clinch ring securing the fastener firmly in place.

MATERIAL CODES
P-SP – Hardened Stainless Steel

MAXIMUM SHEET HARDNESS
P-SP = Rb 90

Metric

Table showing PSP Self Clinching Nuts unified thread data

All dimensions in millimetres.

Unified

Table showing PSP Self Clinching Nuts unified data

All dimensions in inches.

How to Specify

Table showing how to specify PSP Self Clinching Nuts

Methods of Assembly

Diagram showing tooling option 1 for PSP Self Clinching Nuts
Diagram showing tooling option 2 for PSP Self Clinching Nuts
Diagram showing how to insert fixing screw or bolt from side opposite to PSP Self Clinching Nuts

Tooling option 1:

Install using profiled punch to achieve optimum performance. Apply sufficient load to bring body in contact with sheet around full circumference.

Tooling option 2:

Using flat punch and anvil. Apply pressure to the body of the fastener sufficient to totally embed the clinching ring and bring body in contact with the sheet.

Insert fixing screw or bolt from side opposite to the fastener body.

Performance Data

Table showing PSP Self Clinching Nuts metric performance data

Note: The above values are averages when correct installation is performed. Variations in hole size, material and installation will affect these results. For specific advice we strongly recommend consultation with your PSM technology Centre.
Table showing PSP Self Clinching Nuts unified performance data
Weight0.000545 kg
Dimensions1 × 1 × 1 cm
Product Type 1

Product Type 2

Material

Thread

Size

Body Size

Shank Code

Thickness

PSM Part Number

Bin Location

Default Location

Lead Time

Customers reviews

There are no reviews yet.

Be the first to review “Sheet Metal Self Clinching Nuts M3-2 Large Body (7.1) Stainless Steel (>1.4) PSM04084 (PCLS3.5M32)”

Your email address will not be published. Required fields are marked *

Search for products

Product has been added to your cart

Request a Quote